elecena.pl

4.5-V to 60-V Input, 3.5-A, Step-Down DC-DC Converter with Eco-mode™

Texas Instruments

4.5-V to 60-V Input, 3.5-A, Step-Down DC-DC Converter with Eco-mode™ RSS Sample
  • Darmowa próbka
MPN:
TPS54360-Q1
Producent:
TEXAS INSTRUMENTS
Dodany do bazy:
Ostatnio widziany:

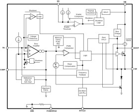
The TPS54360-Q1 is a 60-V 3.5-A step-down regulator with an integrated high-side MOSFET. The device survives load dump pulses up to 65 V per ISO 7637. Current mode control provides simple external compensation and flexible component selection. A low-ripple pulse-skip mode reduces the no-load supply current to 146 µA. Shutdown supply current is reduced to 2 µA when the enable pin is pulled low.

Undervoltage lockout is internally set at 4.3 V but can be increased using an external resistor divider at the enable pin. The output voltage start-up ramp is internally controlled to provide a controlled start up and eliminate overshoot.

A wide adjustable frequency range allows either efficiency or external component size to be optimized. Frequency foldback and thermal shutdown protects internal and external components during an overload condition.

The TPS54360-Q1 is available in an 8-pin thermally enhanced HSOIC PowerPAD package.

Elecena nie prowadzi sprzedaży elementów elektronicznych, ani w niej nie pośredniczy.

Produkt pochodzi z oferty sklepu