elecena.pl

11.3-Gbps low-power laser diode driver

Texas Instruments

11.3-Gbps low-power laser diode driver RSS Sample
  • Darmowa próbka
MPN:
ONET1151L
Producent:
TEXAS INSTRUMENTS
Dodany do bazy:
Ostatnio widziany:

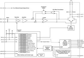
The ONET1151L device is a 3.3-V laser driver designed to directly modulate a laser at data rates from 1 to 11.3 Gbps.

The device provides a 2-wire serial interface, which allows digital control of the modulation and bias currents, eliminating the need for external components. Output waveform control, in the form of cross-point adjustment, de-emphasis, and output termination resistance are available to improve the optical eye mask margin. An optional input equalizer can be used for equalization of up to 150 mm (6 in.) of microstrip or stripline transmission line on FR4-printed circuit boards. The device contains internal ADC and DACs to eliminate the need for special purpose microcontrollers.

The ONET1151L device includes an integrated automatic power control (APC) loop, which compensates for variations in laser average power over voltage and temperature and circuitry to support laser safety and transceiver management systems.

The laser driver is characterized for operation from –40°C ambient to +100°C temperatures and is available in a small footprint 4-mm × 4-mm, 24-pin, RoHS-compliant QFN package that is pin-compatible to the ONET1101L device.

Elecena nie prowadzi sprzedaży elementów elektronicznych, ani w niej nie pośredniczy.

Produkt pochodzi z oferty sklepu