elecena.pl

18V Input, 3.5A/3.5A Dual Synchronous Step-down Regulator with Voltage Scaling

Texas Instruments

18V Input, 3.5A/3.5A Dual Synchronous Step-down Regulator with Voltage Scaling RSS Sample
  • Darmowa próbka
MPN:
TPS563900
Producent:
TEXAS INSTRUMENTS
Dodany do bazy:
Ostatnio widziany:

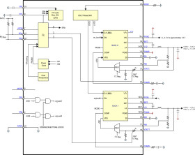
The TPS563900 device is a monolithic dual-synchronous buck converter with a wide 4.5-V to 18-V operating input-voltage range that can operate in 5-, 9-, 12-, or 15-V bus voltages and battery chemistries. Constant-frequency peak-current mode control simplifies the loop compensation and provides fast transient response.

External feedback resistors can be used to set the initial start-up voltage for each buck converter in the TPS563900 device. The feedback voltage reference for this start-up option is 0.6 V. When the voltage-identification (VID) DAC is updated through the I2C, the buck converter switches the feedback resistors from external to internal feedback resistors. The output voltage in each buck is programmable from 0.68 V to 1.95 V with 10-mV steps by I2C-controlled 7-bit VID.

Each buck converter in the TPS563900 device can also be I2C controlled for enabling and disabling the output voltage, reading the output voltage, setting the pulse skipping mode, and reading the power good status and the warning of die temperature.

The TPS563900 device features a dedicated enable pin when the I2C interface is not used. An independent soft-start pin provides flexibility in power-up programmability. Cycle-by-cycle overcurrent protection and hiccup-mode operation limit MOSFET power dissipation in short circuit or over-loading fault conditions. Low-side reverse overcurrent protection also prevents excessive sinking current from damaging the converter.

The TPS563900 device also features a light-load pulse-skipping mode (PSM) that can be controlled by the I2C or MODE pin configuration. The PSM mode allows a power loss reduction on the input power supplied to the system to achieve high efficiency at light loading.

The TPS563900 device is available in a 32-lead thermally-enhanced HTSSOP (DAP) package.

Elecena nie prowadzi sprzedaży elementów elektronicznych, ani w niej nie pośredniczy.

Produkt pochodzi z oferty sklepu