elecena.pl

48 channel, 16 bit ES-PWM, LED driver with pre-charge FET, LED open detection and 48k bit memory

Texas Instruments

48 channel, 16 bit ES-PWM, LED driver with pre-charge FET, LED open detection and 48k bit memory RSS Sample
  • Darmowa próbka
MPN:
TLC5958
Producent:
TEXAS INSTRUMENTS
Dodany do bazy:
Ostatnio widziany:

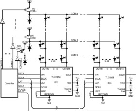
The TLC5958 is a 48 channels constant-current sink driver for multiplexing system with 1 to 32 duty ratio. Each channel has an individually-adjustable, 65536-step, pulse width modulation (PWM) grayscale (GS).

48K bit display memory is implemented to increase the visual refresh rate and to decrease the GS data writing frequency.

The output channels are grouped into three groups, each group has 16 channels. Each group has a 512-step color brightness control (CC) function. The maximum current value of all 48 channels can be set by 8-step global brightness control (BC) function. CC and BC can be used to adjust the brightness deviation between LED drivers. GS, CC, and BC data are accessible via a serial interface port.

Send request via email for Application Note: Build High Density, High Refresh Rate, Multiplexing LED Panel with TLC5958.

The TLC5958 has one error flag: LED open detection (LOD), which can be read via a serial interface port. The TLC5958 also has a power-save mode that sets the total current consumption to 0.8mA (typ) when all outputs are off.

Send request via email for Application Note: .

Elecena nie prowadzi sprzedaży elementów elektronicznych, ani w niej nie pośredniczy.

Produkt pochodzi z oferty sklepu