elecena.pl

4.5-V to 18-V, 30-A synchronous SWIFT™ buck converter with PMBus programmability and monitoring

Texas Instruments

4.5-V to 18-V, 30-A synchronous SWIFT™ buck converter with PMBus programmability and monitoring RSS Sample
  • Darmowa próbka
MPN:
TPS544C20
Producent:
TEXAS INSTRUMENTS
Dodany do bazy:
Ostatnio widziany:

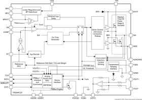
The TPS544B20 and TPS544C20 devices are PMBus compatible, non-isolated DC-DC Integrated FET converters, capable of high-frequency operation and delivering 20-A , or 30-A current output from a 5 mm × 7 mm package, enabling high-power density and fast transient performance with minimal PCB area. The PMBus interface provides for converter configuration as well as monitoring of key parameters including output voltage, current and an optional external temperature. High-frequency, low-loss switching, provided by an integrated NexFET power stage and optimized drivers, allows for very high-density power solutions and reduced inductor and filter capacitor sizes. Response to fault conditions can be set to either restart or latch off depending on system requirements.

Elecena nie prowadzi sprzedaży elementów elektronicznych, ani w niej nie pośredniczy.

Produkt pochodzi z oferty sklepu