elecena.pl

5-W (WPC) single-Chip Wireless power Receiver

Texas Instruments

5-W (WPC) single-Chip Wireless power Receiver RSS Sample
  • Darmowa próbka
MPN:
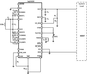
BQ51020
Producent:
TEXAS INSTRUMENTS
Dodany do bazy:
Ostatnio widziany:

The bq5102x device is a fully contained wireless power receiver capable of operating with the WPC v1.1 protocol which allows a wireless power system to deliver up to 5 W to the system when used with a Qi inductive transmitter. The bq5102x device provides a single device power conversion (rectification and regulation) as well as the digital control and communication for WPC specification. With market-leading efficiency and adjustable output voltage, the bq5102x device allows for unparalleled efficiency and system optimization. I2C also allows system designers to implement interesting new features such as aligning a receiver on the transmitter surface, or detecting foreign objects on the receiver. The receiver allows for synchronous rectification, regulation and control and communication to all exist in a market leading form factor, efficiency, and solution size.

For all available packages, see the orderable addendum at the end of the data sheet.

Elecena nie prowadzi sprzedaży elementów elektronicznych, ani w niej nie pośredniczy.

Produkt pochodzi z oferty sklepu