elecena.pl

TPS62150A-Q1 3 to 17-V 1-A AUTOMOTIVE Step-Down Converter in 3 × 3 QFN Package

Texas Instruments

TPS62150A-Q1 3 to 17-V 1-A AUTOMOTIVE Step-Down Converter in 3 × 3 QFN Package RSS Sample
  • Darmowa próbka
MPN:
TPS62150A-Q1
Producent:
TEXAS INSTRUMENTS
Dodany do bazy:
Ostatnio widziany:

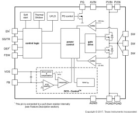
The TPS62150A-Q1 device is an easy-to-use synchronous step-down DC-DC converter optimized for applications with high power density. A high switching frequency of typically 2.5 MHz allows the use of small inductors and provides fast transient response as well as high output-voltage accuracy through the use of the DCS-Control™ topology.

With a wide operating input-voltage range of 3 to 17 V, the device is ideally suited for systems powered from intermediate bus power rails. The device supports up to 1A continuous output current at output voltages between 0.9 V and 6 V (with 100% duty cycle mode).

The output-voltage startup ramp is controlled by the soft-start pin, which allows operation as either a standalone power supply or in tracking configurations. Power sequencing is also possible by configuring the enable and open-drain power-good pins.

In power save mode, the device shows quiescent current of about 17 µA from VIN. Power save mode which is entered automatically and seamlessly if the load is small, maintains high efficiency over the entire load range. In shutdown mode, the device is turned off and shutdown current consumption is less than 2 µA. The device is packaged in a 16-pin VQFN package measuring 3 × 3 mm (RGT).

Elecena nie prowadzi sprzedaży elementów elektronicznych, ani w niej nie pośredniczy.

Produkt pochodzi z oferty sklepu