elecena.pl

TPS62130A-Q1 3 to 17-V 3-A Automotive Step-Down Converter in 3 × 3 QFN Package

Texas Instruments

TPS62130A-Q1 3 to 17-V 3-A Automotive Step-Down Converter in 3 × 3 QFN Package RSS Sample
  • Darmowa próbka
MPN:
TPS62130A-Q1
Producent:
TEXAS INSTRUMENTS
Dodany do bazy:
Ostatnio widziany:

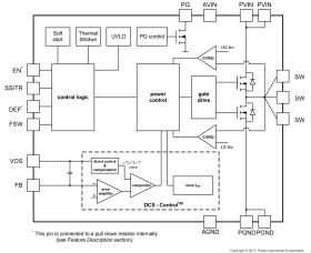
The TPS6213XA-Q1 devices are easy-to-use synchronous step-down DC-DC converters optimized for applications with high power density. A high switching frequency of typically 2.5 MHz allows the use of small inductors and provides fast transient response as well as high output-voltage accuracy through the use of the DCS-Control™ topology.

With a wide operating input-voltage range of 3 to 17 V, the devices are ideally suited for systems powered from intermediate bus power rails. The devices support up to 3-A continuous output current at output voltages between 0.9 V and 6 V (with 100% duty cycle mode). The output-voltage startup ramp is controlled by the soft-start pin, which allows operation as either a standalone power supply or in tracking configurations. Power sequencing is also possible by configuring the enable and open-drain power-good pins.

In power save mode, the devices show quiescent current of about 17 µA from VIN. Power save mode which is entered automatically and seamlessly if the load is small, maintains high efficiency over the entire load range. In shutdown mode, the devices are turned off and shutdown current consumption is less than 2 µA. The devices are packaged in a 16-pin VQFN package measuring 3 × 3 mm (RGT).

Elecena nie prowadzi sprzedaży elementów elektronicznych, ani w niej nie pośredniczy.

Produkt pochodzi z oferty sklepu