elecena.pl

Nanopower Buck-Boost DC/DC with Energy Harvesting Battery Charger

Analog Devices

Nanopower Buck-Boost DC/DC with Energy Harvesting Battery Charger RSS Sample
  • Darmowa próbka
MPN:
LTC3331
Producent:
ANALOG DEVICES
Dodany do bazy:
Ostatnio widziany:
Zmiana ceny:
-100% (19.01.2025)
Poprzednia cena:
4.25

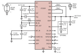
The LTC3331 integrates a high voltage energy harvesting power supply plus a buck-boost DC/DC powered from a rechargeable battery to create a single output supply for alternative energy applications. A 10mA shunt allows simple charging of the battery with harvested energy while a low battery disconnect function protects the battery from deep discharge. The energy harvesting power supply, consisting of an integrated full-wave bridge rectifier and a high voltage buck DC/DC, harvests energy from piezoelectric, solar, or magnetic sources. Either DC/DC converter can deliver energy to a single output. The buck operates when harvested energy is available, reducing the quiescent current draw on the battery to the 200nA required by the shunt charger, thereby extending the life of the battery. The buck-boost powers VOUT only when harvested energy is unavailable.

A supercapacitor balancer is also integrated, allowing for increased output storage. Voltage and current settings for both inputs and outputs are programmable via pin-strapped logic inputs. The LTC3331 is available in a 5mm × 5mm QFN-32 package.

Applications

* Energy Harvesting

* Solar Powered Systems with Battery Backup

* Wireless HVAC Sensors and Security Devices

* Mobile Asset Tracking

* Dual Input, Single Output DC/DCs with Input Prioritizer

* Energy Harvesting Input: 3.0V to 19V Buck DC/DC

* Battery Input: Up to 4.2V Buck-Boost DC/DC

* 10mA Shunt Battery Charger with Programmable Float Voltages: 3.45V, 4.0V, 4.1V, 4.2V

* Low Battery Disconnect

* Ultra Low Quiescent Current: 950nA at no Load

* Integrated Supercapacitor Balancer

* Up to 50mA of Output Current

* Programmable DC/DC Output Voltage, Buck UVLO, and Buck-Boost Peak Input Current

* Integrated Low-Loss Full-Wave Bridge Rectifier

* Input Protective Shunt: Up to 25mA at VIN ≥ 20V

* 5mm × 5mm QFN-32 Package

Elecena nie prowadzi sprzedaży elementów elektronicznych, ani w niej nie pośredniczy.

Produkt pochodzi z oferty sklepu