elecena.pl

5-Channel Integrated Power Solution with Quad Buck Regulators, 200 A LDO Regulator and IC interface

Analog Devices

5-Channel Integrated Power Solution with Quad Buck Regulators, 200 A LDO Regulator and IC interface RSS Sample
  • Darmowa próbka
MPN:
ADP5050
Producent:
ANALOG DEVICES
Dodany do bazy:
Ostatnio widziany:
Zmiana ceny:
-100% (18.01.2025)
Poprzednia cena:
5.64

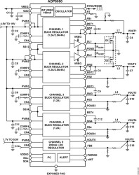
The ADP5050 combines four high performance buck regulators and one 200 mA low dropout (LDO) regulator in a 48-lead LFCSP package that meets demanding performance and board space requirements. The device enables direct connection to high input voltages up to 15 V with no preregulators.

Channel 1 and Channel 2 integrate high-side power MOSFETs and low-side MOSFET drivers. External NFETs can be used in low-side power devices to achieve an efficiency optimized solution and deliver a programmable output current of 1.2 A, 2.5 A, or 4 A. Combining Channel 1 and Channel 2 in a parallel configuration can provide a single output with up to 8 A of current.

Channel 3 and Channel 4 integrate both high-side and low-side MOSFETs to deliver output current of 1.2 A.

The switching frequency of the ADP5050 can be programmed or synchronized to an external clock. The ADP5050 contains a precision enable pin on each channel for easy power-up sequencing or adjustable UVLO threshold.

The ADP5050 integrates a general-purpose LDO regulator with low quiescent current and low dropout voltage that provides up to 200 mA of output current.

The optional I2C interface provides the user with flexible configuration options, including adjustable and fixed output voltage options, junction temperature overheat warning, low input voltage detection, and dynamic voltage scaling (DVS).

APPLICATIONS

* Small cell base stations

* FPGA and processor applications

* Security and surveillance

* Medical applications

* Wide input voltage range:

4.5 V to 15 V

* ±1.5% output accuracy over full temperature range

* 250 kHz to 1.4 MHz adjustable switching frequency

* Adjustable/fixed output options via factory fuse or I2C interface

* I2C interface with interrupt on fault conditions

Elecena nie prowadzi sprzedaży elementów elektronicznych, ani w niej nie pośredniczy.

Produkt pochodzi z oferty sklepu