elecena.pl

40V 400mA Step-Down Switching Regulator with Dual Fault Protected Tracking LDOs

Analog Devices

40V 400mA Step-Down Switching Regulator with Dual Fault Protected Tracking LDOs RSS Sample
  • Darmowa próbka
MPN:
LT3668
Producent:
ANALOG DEVICES
Dodany do bazy:
Ostatnio widziany:
Zmiana ceny:
-100% (17.01.2025)
Poprzednia cena:
3.07

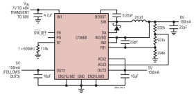
The LT3668 is a monolithic triple power supply composed of a 400mA buck switching regulator and two 200mA low dropout linear tracking regulators (LDOs).This provides a complete and robust power solution for applications that require the power supply of a sensor to tightly track the power supply of a measurement ASIC.

Each tracking LDO supplies 200mA of output current with a typical dropout voltage of 340mV, and each LDO has an accurate resistor programmable current limit.

Internal protection circuitry includes reverse-battery protection, current limiting, thermal limiting and reverse current protection.

The buck regulator includes a high efficiency switch, a boost diode, and the necessary oscillator, control and logic circuitry. Current mode topology is used for fast transient response and good loop stability. Low ripple Burst Mode operation maintains high efficiency at low output currents while keeping output ripple below 15mV in a typical application.

The LT3668 is available in a thermally-enhanced 16-lead MSOP package with exposed pad for low thermal resistance.

Applications

* Fault-Protected Sensor Supply

* Automotive and Industrial Supplies

* Power for Portable Instrumentation

* Dual Low Dropout Linear Tracking Regulators

* 200mA Outputs with Programmable Current Limits

* 1.6V to 45V Input Range

* Fault Protected to ±45V

* Triple Output Supply from a Single Input Requires Only One Inductor

* IQ = 50μA at 12VIN to 6V and 5V with No Load

* Buck Regulator:

* Low Ripple (<15mVP-P) Burst Mode® Operation

* 400mA Output with Internal Power Switch

* 4.3V to 40V Input Operation Range (60V Max)

* Adjustable 250kHz to 2.2MHz Switching Frequency

* Power Good Indicator

* Available in a Thermally-Enhanced 16-Lead MSOP Package

Elecena nie prowadzi sprzedaży elementów elektronicznych, ani w niej nie pośredniczy.

Produkt pochodzi z oferty sklepu