elecena.pl

Push Button On/Off Controller with Voltage Monitoring

Analog Devices

Push Button On/Off Controller with Voltage Monitoring RSS Sample
  • Darmowa próbka
MPN:
LTC2953
Producent:
ANALOG DEVICES
Dodany do bazy:
Ostatnio widziany:
Zmiana ceny:
-100% (19.01.2025)
Poprzednia cena:
2.78

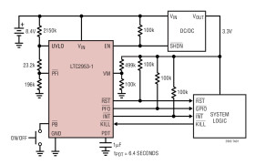
The LTC2953 is a push button On/Off controller that manages system power via a push button interface. An enable output toggles system power while an interrupt output provides debounced push button status. The interrupt output can be used in menu driven applications to request a system power down.

The LTC2953 also features input and output power supply monitors. An uncommitted power fail comparator provides real time input monitor information, while a de-glitched under voltage lockout comparator gracefully initiates a system power down. The under voltage lockout comparator prevents the system from powering from a low power supply.

The adjustable supply monitor input is compared against an accurate internal 0.5V reference. The reset output remains low until the supply monitor input has been in compliance for 200ms.

The LTC2953 operates over a wide 2.7V to 27V input voltage range and draws only 14µA of current. Two versions of the part accommodate either positive or negative enable polarities.

Applications

* Push Button Power Path Control

* Battery Power Supervisor

* Portable Instrumentation, PDA

* Blade Servers

* Desktop and Notebook Computers

* Wide Operating Voltage Range: 2.7V to 27V

* Push Button Control of System Power

* Low Supply Current: 14µA

* Power Fail Comparator Generates Warning

* UVLO Comparator Gracefully Latches Power Off

* Adjustable Supply Monitor with 200ms Reset

* Adjustable Power Down Timer

* Low Leakage EN Output (LTC2953-1) Allows DC/DC Converter Control

* High Voltage EN Output (LTC2953-2) Allows Circuit Breaker Control

* Simple Interface Allows Orderly System Power Up and Power Down

* ±1.5% Threshold Tolerances

* ±10kV ESD HBM on PB Input

* 12-Pin 3mm x 3mm DFN

Elecena nie prowadzi sprzedaży elementów elektronicznych, ani w niej nie pośredniczy.

Produkt pochodzi z oferty sklepu