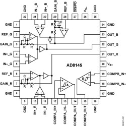
High Speed, Triple Differential Receiver with Comparators
Analog Devices
RSS
Sample
- Darmowa próbka
- MPN:
- AD8145
- Producent:
- ANALOG DEVICES
- Dodany do bazy:
- Ostatnio widziany:
Sugerowane produkty dla ad8133
The AD8145 is a triple, low cost, differential-to-single-ended receiver specifically designed for receiving red-green-blue (RGB) video signals over twisted pair cable or differential printed circuit board (PCB) traces. It can also be used to receive any type of analog signal or high speed data transmission. Two auxiliary comparators with hysteresis are provided that can be used to decode video sync signals, which are encoded on the received common-mode voltages, to receive digital signals or as general-purpose comparators. The AD8145 can be used in conjunction with the AD8133 or AD8134 triple differential drivers to provide a complete low cost solution for RGB over Category 5 UTP cable applications, including KVM.
The excellent common-mode rejection (69 dB @ 10 MHz) of the AD8145 allows for the use of low cost, unshielded twisted pair cables in noisy environments.
The AD8145 can be configured for a differential-to-single-ended gain of 1 or 2 by connecting the GAINx pin of each channel to its respective output (G = 1) or connecting it to a reference voltage (G = 2), which is normally grounded.
A REFx input is provided on each channel that allows designers to level shift the output signals.
The AD8145W is the automotive grade version that is qualified per the AEC-Q100 for use in automotive applications. See the Automotive Products section for more details.
The AD8145 is available in a 5 mm × 5 mm, 32-lead LFCSP and is rated to work over the extended industrial temperature range of −40°C to +105°C.
Applications
* RGB video receivers
* YPbPr video receivers
* Keyboard, video, mouse (KVM)
* Unshielded twisted pair (UTP) receivers
* Automotive driver assistance (AD8145W)
* Automotive Infotainment (AD8145W)
* High speed: 500 MHz, 2000 V/μs @ G = 1, VOUT = 2 V p-p
* 0.1 dB flatness out to 75 MHz
* High CMRR: 69 dB @ 10 MHz
* High differential input impedance: 1 MΩ
* Wide input common-mode range: ±3.5 V (±5 V supplies)
* On-chip, gain setting resistors can be configured for gain of 1 or 2
* Fast settling: 15 ns to 0.1% @ 2 V p-p
* Low input referred noise: 13 nV/√Hz
* Disable feature
* Small packaging: 32-lead, 5 mm × 5 mm LFCSP
* AEC-Q10 qualified (AD8145W)
Elecena nie prowadzi sprzedaży elementów elektronicznych, ani w niej nie pośredniczy.
Produkt pochodzi z oferty sklepu Analog Devices