elecena.pl

Wake-Up Timer with Pushbutton Control

Analog Devices

Wake-Up Timer with Pushbutton Control RSS Sample
  • Darmowa próbka
MPN:
LTC2956
Producent:
ANALOG DEVICES
Dodany do bazy:
Ostatnio widziany:
Zmiana ceny:
-100% (19.01.2025)
Poprzednia cena:
2.40

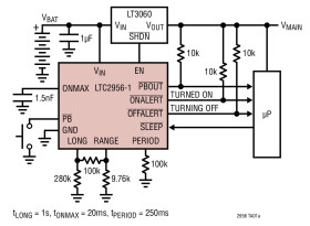
The LTC2956 is a micropower, wide input voltage range, configurable wake-up timer with pushbutton control. It periodically wakes up and turns on a connected system to perform tasks like monitoring temperature or capturing images. After completing the task, the LTC2956 turns the system off to conserve power.

The wake-up timer period can be adjusted from 250ms to 39 days using configuration resistors. The system awake time can be controlled by the input pulse at the SLEEP pin or adjusted by the capacitor at the ONMAX pin. The LTC2956 operates over a wide supply input range from 1.5V to 36V. The low 800nA quiescent current suits battery powered applications.

The pushbutton input allows the user to shutdown, turn on or reset the wake-up timer. With the timer in shutdown, the quiescent current drops to 300nA. The LTC2956 also provides three status outputs to indicate mode transitions and pushbutton events. Two versions are available for applications requiring either positive or negative enable polarities.

Applications

* Heartbeat Timers

* Periodic Wake-Up Control

* Portable and Battery-Powered Equipment

* Intervalometers

* Data Acquisition

* 1.5V to 36V Supply Input Range

* Adjustable Wake-Up Period: 250ms to 39 Days

* Adjustable Maximum Awake Time

* 0.8μA Quiescent Current

* 0.3μA Shutdown Current

* Pushbutton Input with Debouncing

* Low Leakage EN Output Allows DC/DC Converter Control (LTC2956-1)

* High Voltage EN Output Drives External P-Channel MOSFET (LTC2956-2)

* ±25kV ESD HBM on PB Input

* 12-Lead 3mm × 3mm QFN and MSOP Packages

Elecena nie prowadzi sprzedaży elementów elektronicznych, ani w niej nie pośredniczy.

Produkt pochodzi z oferty sklepu