elecena.pl

Integrated Mixed Signal Front End MFE

Analog Devices

Integrated Mixed Signal Front End MFE RSS Sample
  • Darmowa próbka
MPN:
AD9993
Producent:
ANALOG DEVICES
Dodany do bazy:
Ostatnio widziany:

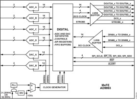
The AD9993 is a mixed-signal front-end (MxFE®) device that integrates four 14-bit ADCs and two 14-bit DACs. Figure 1 shows the block diagram of the MxFE. The MxFE is programmable using registers accessed via a serial peripheral interface (SPI). ADC and DAC datapaths include FIFO buffers to absorb phase differences between LVDS lane clocks and the data converter sampling clocks.

The MxFE DACs are part of the Analog Devices, Inc., high speed CMOS DAC core family. These DACs are designed to be used in wide bandwidth communication system transmitter (Tx) signal chains.

The MxFE ADCs are multistage pipelined CMOS ADC cores designed for use in communications receivers.

APPLICATIONS

* Point to point microwave backhaul radio

* Wireless repeaters

* Quad 14-bit 250 MSPS ADC:

SFDR = 83 dBc at 87 MHz input

* Dual 14-bit 500 MSPS DAC:

SFDR = 75 dBc at 20 MHz output

* On Chip PLL Clock Synthesizer

* Low Power:

1536 mW, 1 GHz master clock, on-chip synthesizer

Elecena nie prowadzi sprzedaży elementów elektronicznych, ani w niej nie pośredniczy.

Produkt pochodzi z oferty sklepu