elecena.pl

Low Cost Analog Multiplier

Analog Devices

Low Cost Analog Multiplier RSS Sample
  • Darmowa próbka
MPN:
AD633
Producent:
ANALOG DEVICES
Dodany do bazy:
Ostatnio widziany:
Zmiana ceny:
-100% (18.01.2025)
Poprzednia cena:
8.59

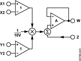
The AD633 is a functionally complete, four-quadrant, analog multiplier. It includes high impedance, differential X and Y inputs, and a high impedance summing input (Z). The low impedance output voltage is a nominal 10 V full scale provided by a buried Zener. The AD633 is the first product to offer these features in modestly priced 8-lead PDIP and SOIC packages.

The AD633 is laser calibrated to a guaranteed total accuracy of 2% of full scale. Nonlinearity for the Y input is typically less than 0.1% and noise referred to the output is typically less than 100 μV rms in a 10 Hz to 10 kHz bandwidth. A 1 MHz bandwidth, 20 V/μs slew rate, and the ability to drive capacitive loads make the AD633 useful in a wide variety of applications where simplicity and cost are key concerns.

The versatility of the AD633 is not compromised by its simplicity. The Z input provides access to the output buffer amplifier, enabling the user to sum the outputs of two or more multipliers, increase the multiplier gain, convert the output voltage to a current, and configure a variety of applications.

The AD633 is available in 8-lead PDIP and SOIC packages. It is specified to operate over the 0°C to 70°C commercial temperature range (J Grade) or the −40°C to +85°C industrial temperature range (A Grade).

Product Highlights

* The AD633 is a complete four-quadrant multiplier offered in low cost 8-lead SOIC and PDIP packages. The result is a product that is cost effective and easy to apply.

* No external components or expensive user calibration are required to apply the AD633.

* Monolithic construction and laser calibration make the device stable and reliable.

* High (10 MΩ) input resistances make signal source loading negligible.

* Power supply voltages can range from ±8 V to ±18 V. The internal scaling voltage is generated by a stable Zener diode; multiplier accuracy is essentially supply insensitive.

Applications

* Multiplication, division, squaring

* Modulation/demodulation, phase detection

* Voltage-controlled amplifiers/attenuators/filters

* 4-quadrant multiplication

* Low cost, 8-lead SOIC and PDIP packages

* Complete—no external components required

* Laser-trimmed accuracy and stability

* Total error within 2% of full scale

* Differential high impedance X and Y inputs

* High impedance unity-gain summing input

* Laser-trimmed 10 V scaling reference

Elecena nie prowadzi sprzedaży elementów elektronicznych, ani w niej nie pośredniczy.

Produkt pochodzi z oferty sklepu