elecena.pl

45-V, 2-A bipolar stepper or dual h-bridge motor driver with current regulation & smart tune

Texas Instruments

45-V, 2-A bipolar stepper or dual h-bridge motor driver with current regulation & smart tune RSS Sample
  • Darmowa próbka
MPN:
DRV8881
Producent:
TEXAS INSTRUMENTS
Dodany do bazy:
Ostatnio widziany:

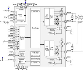
The DRV8881 is a bipolar stepper or brushed-DC motor driver for industrial applications. The device output stage consists of two N-channel power MOSFET H-bridge drivers. The DRV8881 is capable of driving up to 2.5-A peak current or 1.4-A rms current per H-bridge (with proper PCB ground plane for thermal dissipation and at 24 V and TA = 25°C).

Smart tune automatically tunes motors for optimal current regulation performance and compensates for motor variation and aging effects. Smart tune is available on the DRV8881E. Additionally, slow, fast, and mixed decay modes are available.

The PH/EN (DRV8881E) or PWM (DRV8881P) pins provide a simple control interface. An internal sense amplifier allows for adjustable current control. A low-power sleep mode is provided for very-low quiescent current standby using a dedicated nSLEEP pin.

Internal protection functions are provided for undervoltage, charge pump faults, overcurrent, short-circuits, and overtemperature. Fault conditions are indicated by a nFAULT pin.

Elecena nie prowadzi sprzedaży elementów elektronicznych, ani w niej nie pośredniczy.

Produkt pochodzi z oferty sklepu