elecena.pl

45-V, 2-A bipolar stepper motor driver with current regulation, 1/16 microstepping & smart tune

Texas Instruments

45-V, 2-A bipolar stepper motor driver with current regulation, 1/16 microstepping & smart tune RSS Sample
  • Darmowa próbka
MPN:
DRV8880
Producent:
TEXAS INSTRUMENTS
Dodany do bazy:
Ostatnio widziany:

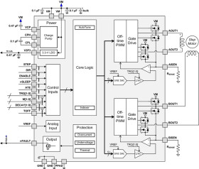
The DRV8880 is a bipolar stepper motor driver for industrial applications. The device has two N-channel power MOSFET H-bridge drivers and a microstepping indexer. The DRV8880 is capable of driving 2.0 A full-scale current or 1.4-A rms current (with proper PCB ground plane for thermal dissipation and at 24 V and TA = 25°C).

Smart tune automatically tunes stepper motors for optimal current regulation performance and compensates for motor variation and aging effects. Additionally slow, fast, and mixed decay modes are available.

The STEP/DIR pins provide a simple control interface. The device can be configured in full-step up to 1/16- step modes. A low-power sleep mode is provided for very low quiescent current standby using a dedicated nSLEEP pin.

Internal protection functions are provided for undervoltage, charge pump faults, overcurrent, short-circuits, and overtemperature. Fault conditions are indicated by a nFAULT pin.

Elecena nie prowadzi sprzedaży elementów elektronicznych, ani w niej nie pośredniczy.

Produkt pochodzi z oferty sklepu