elecena.pl

14-Bit, 500 MSPS / 1 GSPS JESD204B, Analog-to-Digital Converter

Analog Devices

14-Bit, 500 MSPS / 1 GSPS JESD204B, Analog-to-Digital Converter RSS Sample
  • Darmowa próbka
MPN:
AD9690
Producent:
ANALOG DEVICES
Dodany do bazy:
Ostatnio widziany:
Zmiana ceny:
-100% (18.01.2025)
Poprzednia cena:
375.17

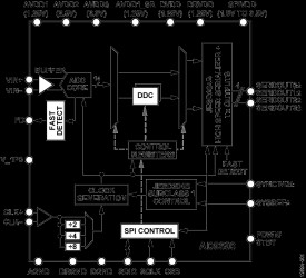
The AD9690 is a 14-bit, 1 GSPS/500 MSPS analog-to-digital converter (ADC). The device has an on-chip buffer and sample-and-hold circuit designed for low power, small size, and ease of use. This device is designed for sampling wide bandwidth analog signals of up to 2 GHz. The AD9690 is optimized for wide input bandwidth, high sampling rate, excellent linearity, and low power in a small package.

The ADC core features a multistage, differential pipelined architecture with integrated output error correction logic. The ADC features wide bandwidth inputs supporting a variety of user-selectable input ranges. An integrated voltage reference eases design considerations.

The analog input and clock signals are differential inputs. The ADC data output is internally connected to two digital down-converters (DDCs). Each DDC consists of four cascaded signal processing stages: a 12-bit frequency translator (NCO), and four half-band decimation filters.

In addition to the DDC blocks, the AD9690 has several functions that simplify the automatic gain control (AGC) function in the communications receiver.

The programmable threshold detector allows monitoring of the incoming signal power using the fast detect output bits of the ADC. If the input signal level exceeds the programmable threshold, the fast detect indicator goes high. Because this threshold indicator has low latency, the user can quickly turn down the system gain to avoid an overrange condition at the ADC input.

Users can configure the Subclass 1 JESD204B-based high speed serialized output in a variety of one-, two-, or four-lane con-figurations, depending on the DDC configuration and the acceptable lane rate of the receiving logic device. Multiple device synchronization is supported through the SYSREF± and SYNCINB± input pins.

The AD9690 has flexible power-down options that allow significant power savings when desired. All of these features can be programmed using a 1.8 V to 3.3 V capable 3-wire SPI.

p> The AD9690 is available in a Pb-free, 64-lead LFCSP and is specified over the −40°C to +85°C industrial temperature range. This product may be protected by one or more U.S. or international patents.

Product Highlights

* Wide full power bandwidth supports IF sampling of signals up to 2 GHz.

* Buffered inputs with programmable input termination eases filter design and implementation.

* Two integrated wideband decimation filters and numerically controlled oscillator (NCO) blocks supporting multiband receivers.

* Flexible serial port interface (SPI) controls various product features and functions to meet specific system requirements.

* Programmable fast overrange detection.

* 9 mm × 9 mm 64-lead LFCSP.

Applications

* Communications

* Multiband, multimode digital receivers 3G/4G, TD-SCDMA, W-CDMA, GSM, LTE

* General-purpose software radios

* Ultrawideband satellite receivers

* Instrumentation

* Radars

* Signals intelligence (SIGINT)

* DOCSIS 3.0 CMTS upstream receive paths

* HFC digital reverse path receivers

* JESD204B (Subclass 1) coded serial digital outputs

* 2.0 W total power at 1 GSPS (default settings)

* 1.5 W total power at 500 MSPS (default settings)

* SFDR = 85 dBFS at 340 MHz, 80 dBFS at 985 MHz

* SNR = 65.3 dBFS at 340 MHz (AIN = −1.0 dBFS), 60.5 dBFS at 985 MHz

* ENOB = 10.8 bits at 10 MHz

* DNL = ±0.5 LSB

* INL = ±2.5 LSB

* Noise density = −154 dBFS/Hz at 1 GSPS

* 1.25 V, 2.5 V, and 3.3 V dc supply operation

* No missing codes

* Internal ADC voltage reference

* Flexible input range

* AD9690-1000: 1.46 V p-p to 1.94 V p-p (1.70 V p-p nominal)

* AD9690-500: 1.46 V p-p to 2.06 V p-p (2.06 V p-p nominal)

* Programmable termination impedance

* 400 Ω, 200 Ω, 100 Ω, and 50 Ω differential

* 2 GHz usable analog input full power bandwidth

* Amplitude detect bits for efficient AGC implementation

* 2 integrated wideband digital processors

* 12-bit NCO, up to 4 cascaded half-band filters

* Differential clock input

* Integer clock divide by 1, 2, 4, or 8

* Flexible JESD204B lane configurations

* Small signal dither

Elecena nie prowadzi sprzedaży elementów elektronicznych, ani w niej nie pośredniczy.

Produkt pochodzi z oferty sklepu