elecena.pl

Dual-Channel Low Noise Bias Generators

Analog Devices

Dual-Channel Low Noise Bias Generators RSS Sample
  • Darmowa próbka
MPN:
LT3095
Producent:
ANALOG DEVICES
Dodany do bazy:
Ostatnio widziany:
Zmiana ceny:
-100% (17.01.2025)
Poprzednia cena:
3.54

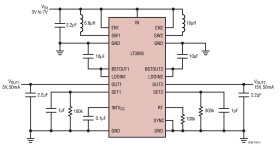
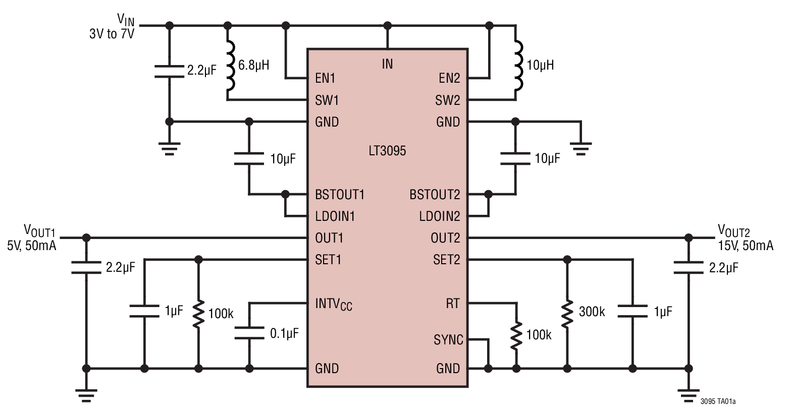
The LT3095 generates two low-noise bias supplies from a common input voltage ranging from 3V to 20V. Each channel includes a fixed frequency, peak current-mode step-up switching regulator and a low-noise, singleresistor- programmable 50mA linear regulator. The linear regulator’s high power supply ripple rejection (PSRR) combined with its low-noise performance results in less than 100μVP-P output ripple and noise.

Each boost regulator adjusts its output voltage to 2V above the corresponding linear regulator’s output voltage, optimizing power dissipation, PSRR and transient response. This tracking scheme, along with internal boost regulator frequency compensation and integrated Schottky diodes, minimizes external component count and simplifies system design. Each linear regulator includes internal current limit and thermal limit protection circuitry.

The LT3095 switching frequency is externally programmable with a single resistor from 450kHz to 2MHz. A SYNC pin allows synchronization to an external clock. The LT3095 is available in a thermally enhanced, low profile (0.75mm) 24-lead 3mm × 5mm QFN package.

Applications

* Noise-Sensitive USB Powered Applications

* Data Conversion, Industrial Supplies, RF

* Instrumentation Amplifiers

* Generates Two Independent Low Noise Bias Supplies* Boost Regulator:

* Wide Input Voltage Range: 3V to 20V* Adjustable Switching Frequency: 450kHz to 2MHz* Synchronizable to External Clock* 950mA Power Switches* Integrated Schottky Diodes* Internal Frequency Compensation

* Linear Regulator:

* Wide Output Voltage Range: 1V to 20V* SET Pin Reference Current: 50μA* Low Noise: 4μVRMS (10Hz to 100kHz)* High Frequency PSRR: 72dB at 1MHz

* Independent Precision-Threshold Enable Pins* Symmetric Pinout Simplifies PCB Layout* Thermally Enhanced 3mm × 5mm 24-Lead QFN Package

Elecena nie prowadzi sprzedaży elementów elektronicznych, ani w niej nie pośredniczy.

Produkt pochodzi z oferty sklepu