Enhanced product, 100-V input voltage, 50-mA single output low-dropout voltage regular
Texas Instruments
RSS
Sample
- Darmowa próbka
- MPN:
- TPS7A4001-EP
- Producent:
- TEXAS INSTRUMENTS
- Dodany do bazy:
- Ostatnio widziany:
Sugerowane produkty dla tps7a4001
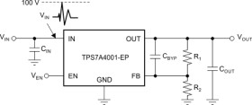
The TPS7A4001-EP device is a very high voltage-tolerant linear regulator that offers the benefits of a thermally-enhanced package (HVSSOP) and is able to withstand continuous DC or transient input voltages of up to 100 V.
The TPS7A4001-EP device is stable with any output capacitance greater than 4.7 µF and any input capacitance greater than 1 µF (over temperature and tolerance). Therefore, implementations of this device require minimal board space because of its miniaturized packaging (HVSSOP) and a potentially small output capacitor. In addition, the TPS7A4001-EP device offers an enable pin (EN) compatible with standard CMOS logic to enable a low-current shutdown mode.
The TPS7A4001-EP device has an internal thermal shutdown and current limiting to protect the system during fault conditions. The TPS7A4001-EP device has an operating temperature range of TJ = -55°C to 125°C.
In addition, the TPS7A4001-EP device is ideal for generating a low-voltage supply from intermediate voltage rails in telecom and industrial applications; not only can it supply a well-regulated voltage rail, but it can also withstand and maintain regulation during very high and fast voltage transients. These features translate to simpler and more cost-effective electrical surge-protection circuitry for a wide range of applications, including PoE, bias supply, and LED lighting.
Elecena nie prowadzi sprzedaży elementów elektronicznych, ani w niej nie pośredniczy.
Produkt pochodzi z oferty sklepu Texas Instruments