0.48-V to 42-V, zero IQ automotive ideal diode rectifier controller with 70uA gate drive
Texas Instruments
RSS
Sample
- Darmowa próbka
- MPN:
- LM74670-Q1
- Producent:
- TEXAS INSTRUMENTS
- Dodany do bazy:
- Ostatnio widziany:
Sugerowane produkty dla lm74670
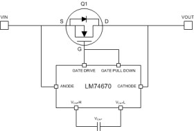
The LM74670-Q1 is a controller device that can be used with an N-Channel MOSFET in full or half bridge rectifier architectures for alternators. It is designed to drive an external MOSFET to emulate an ideal diode. A unique advantage of this scheme is that it is not ground referenced, thus it has zero IQ. The schottky diodes in full or half bridge rectifiers and alternators can be replaced with the LM74670-Q1 solution to avoid forward conduction diode losses and produce more efficient AC-DC converters.
The LM74670-Q1 controller provides a gate drive for external N-Channel MOSFET and a fast response internal comparator to pull-down the MOSFET Gate in the event of reverse polarity. This device can support an AC signal frequency up to 300Hz.
Elecena nie prowadzi sprzedaży elementów elektronicznych, ani w niej nie pośredniczy.
Produkt pochodzi z oferty sklepu Texas Instruments