Low-Noise Regulated Inverter with Integrated LDO
Texas Instruments
RSS
Sample
- Darmowa próbka
- MPN:
- LM27761
- Producent:
- TEXAS INSTRUMENTS
- Dodany do bazy:
- Ostatnio widziany:
Sugerowane produkty dla lm27761
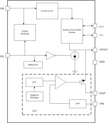
The LM27761 low-noise regulated switched-capacitor voltage inverter delivers a very low-noise adjustable output for an input voltage in the range of 2.7V to 5.5V. Four low-cost capacitors are used in the application design to provide up to 250mA of output current. The regulated output for the device is adjustable between −1.5V and −5V. The LM27761 operates at 2MHz (typical) switching frequency to reduce output resistance and voltage ripple. With an operating current of only 370µA (charge-pump power efficiency greater than 80% with most loads) and 7µA typical shutdown current, the LM27761 provides excellent performance when driving power amplifiers, DAC bias rails, and other high-current, low-noise voltage applications.
Elecena nie prowadzi sprzedaży elementów elektronicznych, ani w niej nie pośredniczy.
Produkt pochodzi z oferty sklepu Texas Instruments