elecena.pl

Single cell System-side battery fuel (gas) gauge w/Pre-programmed chemistry Profile

Texas Instruments

Single cell System-side battery fuel (gas) gauge w/Pre-programmed chemistry Profile RSS Sample
  • Darmowa próbka
MPN:
BQ27426
Producent:
TEXAS INSTRUMENTS
Dodany do bazy:
Ostatnio widziany:

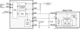
The Texas Instruments BQ27426 battery fuel gauge is a single-cell gauge that requires minimal user-configuration and system microcontroller firmware development, leading to quick system bring-up.

Three chemistry profiles are preprogrammed to enable minimum user-configuration, and to help manage customer inventory across projects with different battery chemistries. The BQ27426 battery fuel gauge has very low sleep power consumption leading to longer battery run time. Configurable interrupts help save system power and free up the host from continuous polling. Accurate temperature sensing is supported via an external thermistor.

The BQ27426 battery fuel gauge uses the patented Impedance Track™ algorithm for fuel gauging, and provides information such as remaining battery capacity (mAh), state-of-charge (%), and battery voltage (mV).

Battery fuel gauging with the BQ27426 fuel gauge requires connections only to PACK+ (P+) and PACK– (P–) for a removable battery pack or embedded battery circuit. The tiny, 9-ball, 1.62 mm × 1.58 mm, 0.5 mm pitch NanoFree™ chip scale package (DSBGA) is ideal for space-constrained applications.

Elecena nie prowadzi sprzedaży elementów elektronicznych, ani w niej nie pośredniczy.

Produkt pochodzi z oferty sklepu