elecena.pl

SIMPLE SWITCHER® Automotive 40-V, 2-A, 2.2-MHz step-down converter with 40-uA IQ

Texas Instruments

SIMPLE SWITCHER® Automotive 40-V, 2-A, 2.2-MHz step-down converter with 40-uA IQ RSS Sample
  • Darmowa próbka
MPN:
LMR14020-Q1
Producent:
TEXAS INSTRUMENTS
Dodany do bazy:
Ostatnio widziany:

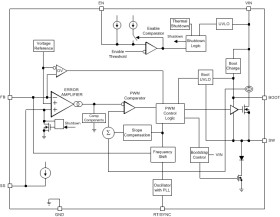
The LMR14020-Q1 is a 40V, 2A step-down regulator with an integrated high-side MOSFET. With a wide input range from 4V to 40V, the device is designed for various applications from industrial to automotive for power conditioning from unregulated sources. An extended family is available in 3.5A and 5A options in pin-to-pin compatible packages, including LMR14030-Q1 and LMR14050-Q1. The regulator quiescent current is 40µA in sleep mode, which is designed for battery powered systems. An ultra-low 1µA current in shutdown mode can further prolong battery life. A wide adjustable switching frequency range allows either efficiency or external component size to be optimized. Internal loop compensation means that the user is free from the tedious task of loop compensation design. This internal loop compensation also minimizes the external components of the device. A precision enable input allows simplification of regulator control and system power sequencing. The device also has built-in protection features such as cycle-by-cycle current limit, thermal sensing and shutdown due to excessive power dissipation, and output overvoltage protection.

The LMR14020-Q1 is available in an 8-pin, HSOIC or 10-pin, WSON package with exposed pad for low thermal resistance.

Elecena nie prowadzi sprzedaży elementów elektronicznych, ani w niej nie pośredniczy.

Produkt pochodzi z oferty sklepu