Surface Mount pHEMT 2 Watt Power Amplifier, 9 - 12 GHz
Analog Devices
RSS
Sample
- Darmowa próbka
- MPN:
- HMC487
- Producent:
- ANALOG DEVICES
- Dodany do bazy:
- Ostatnio widziany:
Sugerowane produkty dla hmc487lp5e
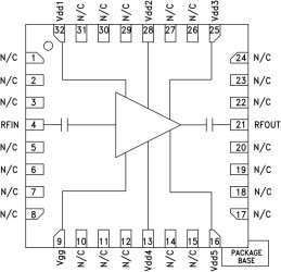
The HMC487LP5E is a high dynamic range GaAs PHEMT MMIC 2 Watt Power Amplifiers housed in leadless 5 x 5 mm surface mount packages. Operating from 9 to 12 GHz, the amplifier provides 20 dB of gain, +33 dBm of saturated power and 20% PAE from a +7V supply voltage. Output IP3 is +36 dBm typical. The RF I/Os are DC blocked and matched to 50 Ohms for ease of use. The HMC487LP5E eliminates the need for wire bonding, allowing use of surface mount manufacturing techniques.
Applications
* Point-to-Point Radios
* Point-to-Multi-Point Radios
* Test Equipment and Sensors
* Military End-Use
* Saturated Power: +33 dBm @ 20% PAE
* Output IP3: +36 dBm
* Gain: 20 dB
* +7V @ 1300 mA Supply
* 50 Ω Matched Input/Output
* 25 mm2 Leadless SMT Package
Elecena nie prowadzi sprzedaży elementów elektronicznych, ani w niej nie pośredniczy.
Produkt pochodzi z oferty sklepu Analog Devices