54 dB, Logarithmic Detector/Controller SMT, 50 - 8000 MHz
Analog Devices
RSS
Sample
- Darmowa próbka
- MPN:
- HMC713LP3E
- Producent:
- ANALOG DEVICES
- Dodany do bazy:
- Ostatnio widziany:
Sugerowane produkty dla hmc713lp3e
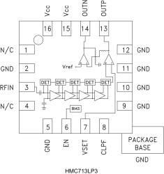
The HMC713LP3E Logarithmic Detector/Controller is ideal for converting the power of RF signals with frequencies in the 50 MHz to 8000 MHz range, to a DC voltage, proportional to input power, at its output. The HMC713LP3E employs a successive compression technology which delivers 54 dB of dynamic range with high measurement accuracy over a wide input frequency range. As the input signal is increased, successive amplifiers move into saturation one by one creating an accurate approximation of the logarithm function. The outputs of a series of detectors are summed, converted into voltage domain and buffered to drive the OUTP output.
For detection mode, the OUTP pin is connected to the VSET input and will provide a nominal logarithmic slope of 17 mV/dB and an intercept of -68 dBm. The HMC713LP3E can also be used in the controller mode where an external voltage is applied to the VSET pin to create an AGC or APC feedback loop.
Applications
* Cellular Infrastructure
* WiMAX, WiBro & LTE/4G
* Power Monitoring & Control Circuitry
* Receiver Signal Strength Indication (RSSI)
* Cellular Infrastructure
* Automatic Gain & Power Control
* Military, ECM & Radar
* Wide Dynamic Range: up to 54 dB
* High Accuracy: ±1 dB with 54 dB
Range Up To 2.7 GHz
* Fast Output Response Time
* Supply Voltage: +2.7 to +5.5V
* Power-Down Mode
* Excellent Stability over Temperature
* 16 Lead 3x3 mm SMT Package: 9mm²
Elecena nie prowadzi sprzedaży elementów elektronicznych, ani w niej nie pośredniczy.
Produkt pochodzi z oferty sklepu Analog Devices