elecena.pl

6.5 GHz Programmable Divider (N = 1 to 17) SMT

Analog Devices

6.5 GHz Programmable Divider (N = 1 to 17) SMT RSS Sample
  • Darmowa próbka
MPN:
HMC705
Producent:
ANALOG DEVICES
Dodany do bazy:
Ostatnio widziany:

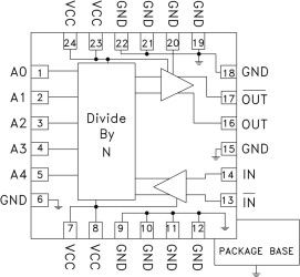
The HMC705LP4(E) is a low noise GaAs HBT programmable divider in a 4x4 mm leadless surface mount package. The divider can be programmed to divide by any number from N = 1 to N = 17 up to 6.5 GHz. The HMC705LP4E's high frequency operation along with low phase noise floor is very useful in high performance fast settling synthesizer architectures. The HMC705LP4E may be combined with Hittite's Phase Frequency Detectors, VCOs and PLL ICs to create low noise, fast settling phase locked loops.

APPLICATIONS

* Satellite Communication Systems

* Point-to-Point Radios

* Military Applications

* Sonet Clock Generation

* Test Equipment

* Ultra Low SSB Phase Noise: -153 dBc/Hz @ 100 kHz Typ.

* Programmable Divider (N = 1 - 17) Operating up to 6.5 GHz

Elecena nie prowadzi sprzedaży elementów elektronicznych, ani w niej nie pośredniczy.

Produkt pochodzi z oferty sklepu