x2 Active Multiplier, 25 - 31 GHz Output
Analog Devices
RSS
Sample
- Darmowa próbka
- MPN:
- HMC942
- Producent:
- ANALOG DEVICES
- Dodany do bazy:
- Ostatnio widziany:
Sugerowane produkty dla oc192
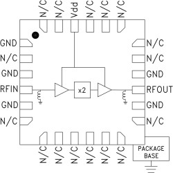
The HMC942LP4E is a x2 active broadband frequency multiplier utilizing GaAs pHEMT technology in a leadless RoHS compliant SMT package. When driven by a +4 dBm signal, the multiplier provides +17 dBm typical output power from 13 to 24.6 GHz. The Fo and 3Fo isolations are >20 dBc at 19 GHz. The HMC942LP4E is ideal for use in LO multiplier chains for Pt-to-Pt & VSAT Radios yielding reduced parts count vs. traditional approaches.
APPLICATIONS
* Clock Generation Applications:
SONET OC-192 & SDH STM-64
* Point-to-Point & VSAT Radios
* Test Instrumentation
* Military & Space
* Sensors
* High Output Power: +21 dBm
* Low Input Power Drive: 0 to +6 dBm
* Fo Isolation: >45 dBc
Elecena nie prowadzi sprzedaży elementów elektronicznych, ani w niej nie pośredniczy.
Produkt pochodzi z oferty sklepu Analog Devices