elecena.pl

26 GHz Fast Rise Time T Flip-Flop with Reset & Programmable Output Voltage

Analog Devices

26 GHz Fast Rise Time T Flip-Flop with Reset & Programmable Output Voltage RSS Sample
  • Darmowa próbka
MPN:
HMC749
Producent:
ANALOG DEVICES
Dodany do bazy:
Ostatnio widziany:

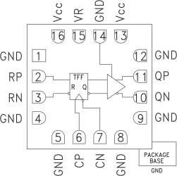
The HMC749LC3C is a T Flip-Flop w/Reset designed to support clock frequencies as high as 26 GHz. During normal operation, with the reset pin not asserted, the output toggles from its prior state on the positive edge of the clock. This results in a divide-by two function of the clock input. Asserting the reset pin forces the Q output low regardless of the clock edge state (asynchronous reset assertion). Reversing the clock inputs allows for negative-edge triggered applications. The HMC749LC3C also features an output level control pin, VR, which allows for loss compensation or for signal level optimization.

All input signals to the HMC749LC3C are terminated with 50 to Vcc on-chip, and may be either AC or DC coupled. inputs or outputs can be connected directly to a 50 Vcc terminated system, while DC blocking capacitors may be used if the terminating system is 50Ω ground. The HMC749LC3C operates from a single +3.3V DC supply and is available in a ceramic RoHS compliant 3x3 mm SMT package.

APPLICATIONS

* Serial Data Transmission up to 26 Gbps

* High Speed Frequency Divider (up to 26 GHz)

* Broadband Test & Measurement

* RF ATE Applications

* Supports Clock Frequencies: up to 26 GHz

* Differential & Single-Ended Operation

* Fast Rise & Fall Times: 18/17ps

* Programmable Differential

Output Voltage Swing: 600 - 1100 mV

Elecena nie prowadzi sprzedaży elementów elektronicznych, ani w niej nie pośredniczy.

Produkt pochodzi z oferty sklepu