elecena.pl

VCO SMT with Fo/2 & Divide-by-4, 12.4 - 13.4 GHz

Analog Devices

VCO SMT with Fo/2 & Divide-by-4, 12.4 - 13.4 GHz RSS Sample
  • Darmowa próbka
MPN:
HMC529
Producent:
ANALOG DEVICES
Dodany do bazy:
Ostatnio widziany:

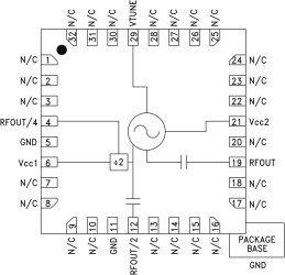
The HMC529LP5(E) is a GaAs InGaP Heterojunction Bipolar Transistor (HBT) MMIC VCO. The HMC529LP5(E) integrates resonators, negative resistance devices, varactor diodes and feature half frequency and divide-by-4 outputs. The VCO’s phase noise performance is excellent over temperature, shock, and process due to the oscillator’s monolithic structure. Power output is +8 dBm typical from a +5V supply voltage. The prescaler function can be disabled to conserve current if not required. The voltage controlled oscillator is packaged in a leadless QFN 5×5 mm surface mount package, and requires no external matching components.

APPLICATIONS

* VSAT Radio

* Point-to-Point/Multi-point Radio

* Test Equipment & Industrial Controls

* Military End-Use

* Dual Output: Fo = 12.4 - 13.4 GHz Fo/2 = 6.2 - 6.7 GHz

* Phase Noise: -110 dBc/Hz @ 100 kHz Typ.

Elecena nie prowadzi sprzedaży elementów elektronicznych, ani w niej nie pośredniczy.

Produkt pochodzi z oferty sklepu