elecena.pl

3.3V Low Noise 1:9 Fanout Buffer, DC - 8 GHz

Analog Devices

3.3V Low Noise 1:9 Fanout Buffer, DC - 8 GHz RSS Sample
  • Darmowa próbka
MPN:
HMC987
Producent:
ANALOG DEVICES
Dodany do bazy:
Ostatnio widziany:

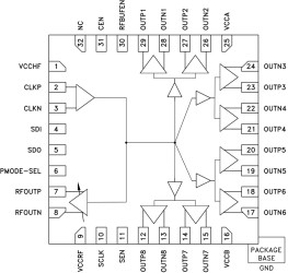
The HMC987LP5E 1-to-9 fanout buffer is designed for low noise clock distribution. It is intended to generate relatively square wave outputs with rise/fall times < 100 ps. The low skew and jitter outputs of the HMC987LP5E, combined with its fast rise/fall times, leads to controllable low-noise switching of downstream circuits such as mixers, ADCs/DACs or SERDES devices. The noise floor is particularly important in these applications, when the clocknetwork bandwidth is wide enough to allow squarewave switching. Driven at 2 GHz, outputs of the HMC987LP5E have a noise floor of –166 dBc/Hz, corresponding to a jitter density of 0.6 asec/rtHz - or 50 fs over an 8 GHz bandwidth.

The input stage can be driven single-ended or differentially, in a variety of signal formats (CML, LVDS, LVPECL or CMOS), AC or DC coupled. The input stage also features adjustable input impedance. It has 8 LVPECL outputs, and 1 CML output with adjustable swing/power-level in 3 dB steps.

Individual output stages may be enabled or disabled for power-savings when not required using either hardware control pins, or under control of a serial-port interface.

APPLICATIONS

* SONET, Fibre Channel, GigE Clock Distribution

* ADC/DAC Clock Distribution

* Low Skew and Jitter Clock or Data Fanout

* Wireless/Wired Communications

* Level Translation

* High Performance Instrumentation

* Medical Imaging

* Single-Ended to Differential Conversion

* Ultra Low Noise Floor: –166 dBc/Hz @ 2 GHz

* LVPECL, LVDS, CML & CMOS Compatible Inputs

* Up to 8 Differential or 16 Single-Ended LVPECL Outputs

Elecena nie prowadzi sprzedaży elementów elektronicznych, ani w niej nie pośredniczy.

Produkt pochodzi z oferty sklepu