elecena.pl

48-channel, 16-bit ESPWM LED driver with pre-charge FET, LOD Caterpillar and 16-multiplexing support

Texas Instruments

48-channel, 16-bit ESPWM LED driver with pre-charge FET, LOD Caterpillar and 16-multiplexing support RSS Sample
  • Darmowa próbka
MPN:
TLC59582
Producent:
TEXAS INSTRUMENTS
Dodany do bazy:
Ostatnio widziany:

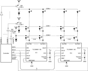
The TLC59581/82are 48-channel constant-current sink drivers. Each channel has an individually-adjustable, 65536-step, pulse width modulation (PWM) grayscale (GS) brightness control.

The TLC59581 can support 32-multiplexing while TLC59582 can support 16-multiplexing.

The output channels are divided into three groups. Each group has a 512-step color brightness control (CC). CC adjusts brightness control between colors. The maximum current value of all 48 channels can be set by 8-step global brightness control (BC). BC adjusts brightness deviation between LED drivers. GS, CC and BC data are accessible through a serial interface port.

See application note Build High Density, High Refresh Rate, Multiplexing LED Panel with TLC59581, SLVA744.

The TLC59581/82 device has one error flag: the LED open detection (LOD), which can be read through a serial interface port. To resolve this caterpillar issue caused by an open LED, the TLC59581/82 device has an enhanced circuit for caterpillar canceling, thermal shut down (TSD) and IREF resistor short protection (ISP), which ensures a higher system reliability. The TLC59581/82 device also has a power-save mode that sets the total current consumption to 0.8 mA (typical) when all outputs are off. The TLC59581/82 device is a good solution to improve display performance of a multiplexing panel for low-grayscale patterns.

Elecena nie prowadzi sprzedaży elementów elektronicznych, ani w niej nie pośredniczy.

Produkt pochodzi z oferty sklepu