elecena.pl

1.5-V to 20-V, 15-A synchronous SWIFT™ buck converter with PMBus

Texas Instruments

1.5-V to 20-V, 15-A synchronous SWIFT™ buck converter with PMBus RSS Sample
  • Darmowa próbka
MPN:
TPS549A20
Producent:
TEXAS INSTRUMENTS
Dodany do bazy:
Ostatnio widziany:

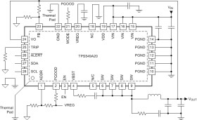
The TPS549A20 is a small-sized, synchronous buck converter with anadaptive on-time D-CAP3 control mode. The device offers ease-of-use and low bill-of-material countfor space-conscious power systems.

This device features high-performance integrated MOSFETs, accurate 0.6-V reference, andan integrated boost switch. Competitive features include very-low external-component count, fastload-transient response, auto-skip mode operation, internal soft-start control, and no requirementfor compensation. The device also features fault report viaPMBus to simplify the power supply design

A forced continuous conduction mode helps meet tight voltage regulation accuracyrequirements for performance DSPs and FPGAs. The TPS549A20 is available in a28-pin VQFN-CLIP package and is specified from –40°C to 125°C ambient temperature.

For all available packages, see the orderable

Elecena nie prowadzi sprzedaży elementów elektronicznych, ani w niej nie pośredniczy.

Produkt pochodzi z oferty sklepu