elecena.pl

16-Bit, 1Msps 8-Channel Differential ±10.24V Input SoftSpan ADC with Wide Input Common Mode Range

Analog Devices

16-Bit, 1Msps 8-Channel Differential ±10.24V Input SoftSpan ADC with Wide Input Common Mode Range RSS Sample
  • Darmowa próbka
MPN:
LTC2335-16
Producent:
ANALOG DEVICES
Dodany do bazy:
Ostatnio widziany:
Zmiana ceny:
-100% (17.01.2025)
Poprzednia cena:
16.42

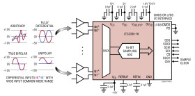
The LTC2335-16 is a 16-bit, low noise 8-channel multiplexed successive approximation register (SAR) ADC with differential, wide common mode range inputs. Operating from a 5V low voltage supply, flexible high voltage supplies, and using the internal reference and buffer, this SoftSpanTM ADC can be configured on a conversion-by-conversion basis to accept ±10.24V, 0V to 10.24V, ±5.12V, or 0V to 5.12V signals on any channel. Alternately, the ADC may be programmed to cycle through a sequence of channels and ranges without further user intervention.

The wide input common mode range and 118dB CMRR of the LTC2335-16 analog inputs allow the ADC to directly digitize a variety of signals, simplifying signal chain design. This input signal flexibility, combined with ±1LSB INL, no missing codes at 16 bits, and 94.4dB SNR, makes the LTC2335-16 an ideal choice for many high voltage applications requiring wide dynamic range.

The LTC2335-16 supports pin-selectable SPI CMOS (1.8V to 5V) and LVDS serial interfaces.

Applications

* Programmable Logic Controllers

* Industrial Process Control

* Power Line Monitoring

* Test and Measurement

* 1Msps Throughput

* ±1LSB INL (Maximum)

* Guaranteed 16-Bit, No Missing Codes

* Differential, Wide Common Mode Range Inputs

* 8-Channel Multiplexer with SoftSpan Input Ranges:

* ±10.24V, 0V to 10.24V, ±5.12V, 0V to 5.12V

* ±12.5V, 0V to 12.5V, ±6.25V, 0V to 6.25V

* 94.4dB Single-Conversion SNR (Typical)

* −109dB THD (Typical) at fIN = 2kHz

* 118dB CMRR, 125dB Active Crosstalk (Typical)

* Rail-to-Rail Input Overdrive Tolerance

* Programmable Sequencer with No-Latency Control

* Guaranteed Operation to 125°C

* Integrated Reference and Buffer (4.096V)

* SPI CMOS (1.8V to 5V) and LVDS Serial I/O

* No Pipeline Delay, No Cycle Latency

* 180mW Power Dissipation (Typical)

* 48-Lead (7mm × 7mm) LQFP Package

Elecena nie prowadzi sprzedaży elementów elektronicznych, ani w niej nie pośredniczy.

Produkt pochodzi z oferty sklepu