elecena.pl

Highly efficient Triple-String white LED driver

Texas Instruments

Highly efficient Triple-String white LED driver RSS Sample
  • Darmowa próbka
MPN:
LM36923H
Producent:
TEXAS INSTRUMENTS
Dodany do bazy:
Ostatnio widziany:

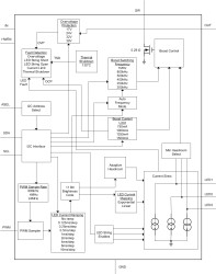
The LM36923H is an ultra-compact, highly efficient, three-string white-LED driver designed for LCD display backlighting. The device can power up to 12 series LEDs at up to 25 mA per string. An adaptive current regulation method allows for different LED voltages in each string while maintaining current regulation.

The LED current is adjusted via an I2C interface or through a logic level PWM input. The PWM duty cycle is internally sensed and mapped to an 11-bit current thus allowing for a wide range of PWM frequencies with noise-free operation from 50 µA to 25 mA.

Other features include an auto-frequency mode, which can automatically change the frequency based on load current in order to optimize efficiency.

The device operates over the 2.5-V to 5.5-V input voltage range and a –40°C to +85°C temperature range.

For all available packages, see the orderable addendum at the end of the data sheet.

Elecena nie prowadzi sprzedaży elementów elektronicznych, ani w niej nie pośredniczy.

Produkt pochodzi z oferty sklepu