elecena.pl

Medium Power Amplifier Chip, 71 - 86 GHz

Analog Devices

Medium Power Amplifier Chip, 71 - 86 GHz RSS Sample
  • Darmowa próbka
MPN:
HMC-AUH320-DIE
Producent:
ANALOG DEVICES
Dodany do bazy:
Ostatnio widziany:

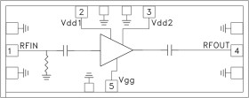
The HMC-AUH320 is a high dynamic range, four stage GaAs HEMT MMIC Medium Power Amplifier which operates between 71 and 86 GHz. The HMC-AUH320 provides 16 dB of gain at 74 GHz, and an output power of +15 dBm at 1 dB compression from a +4V supply voltage. All bond pads and the die backside are Ti/Au metallized and the amplifier device is fully passivated for reliable operation.

The HMC-AUH320 GaAs HEMT MMIC Medium Power Amplifier is compatible with conventional die attach methods, as well as thermocompression and thermosonic wire bonding, making it ideal for MCM and hybrid microcircuit applications. All data shown herein is measured with the chip in a 50 Ohm environment and contacted with RF probes.

Applications

* Short Haul / High Capacity Links

* Wireless LAN Bridges

* Automotive Radar

* Military & Space

* E-Band Communication Systems

* Gain: 16 dB @ 76 GHz

* P1dB: +15 dBm

* Supply Voltage: +4V

* 50 Ohm Matched Input/Output

* Die Size:

2.20 x 0.87 x 0.1 mm

Elecena nie prowadzi sprzedaży elementów elektronicznych, ani w niej nie pośredniczy.

Produkt pochodzi z oferty sklepu