elecena.pl

Small, 10-MHz, 8-V to 14-V, 10-A synchronous SWIFT™ series capacitor buck converter

Texas Instruments

Small, 10-MHz, 8-V to 14-V, 10-A synchronous SWIFT™ series capacitor buck converter RSS Sample
  • Darmowa próbka
MPN:
TPS54A20
Producent:
TEXAS INSTRUMENTS
Dodany do bazy:
Ostatnio widziany:

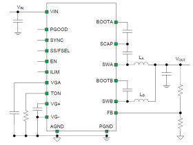
The TPS54A20 is a two-phase, synchronous series capacitor buck converter designed for small size, low voltage applications from a 12-V input rail. This topology uniquely merges a switched capacitor circuit with a two phase buck converter. Advantages include automatic current balancing between the inductors, lower switching losses which enable high frequency (HF) operation, and voltage step-down through the series capacitor. Small, low profile inductors used with the TPS54A20 significantly reduce total solution area and height. An adaptive on-time control architecture provides fast transient response and accurate voltage regulation at up to 10-MHz operating frequency. Fixed frequency operation during steady state is maintained through the use of a phase lock loop (PLL) to lock switching signals to a reference oscillator.

Elecena nie prowadzi sprzedaży elementów elektronicznych, ani w niej nie pośredniczy.

Produkt pochodzi z oferty sklepu