4-Ch, 28-bit, high-resolution automotive inductance to digital converter
Texas Instruments
RSS
Sample
- Darmowa próbka
- MPN:
- LDC1614-Q1
- Producent:
- TEXAS INSTRUMENTS
- Dodany do bazy:
- Ostatnio widziany:
Sugerowane produkty dla ldc1614
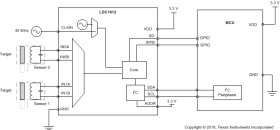
The LDC1612-Q1 and LDC1614-Q1 are 2- and 4-channel, 28-bit inductance to digital converters (LDCs) for inductive sensing solutions. With multiple channels and support for remote sensing, the LDC1612-Q1 and LDC1614-Q1 enable the performance and reliability benefits of inductive sensing to be realized at minimal cost and power. The products are easy to use, only requiring that the sensor frequency be within 1 kHz and 10 MHz to begin sensing. The wide 1 kHz to 10 MHz sensor frequency range also enables use of very small PCB coils, further reducing sensing solution cost and size.
The high resolution channels allow for a much larger sensing range, maintaining good performance beyond two coil diameters. Well-matched channels allow for differential and ratiometric measurements, which enable designers to use one channel to compensate their sensing for environmental and aging conditions such as temperature, humidity, and mechanical drift.
Given their ease of use, low power, and low system cost these products enable designers to greatly improve performance, reliability, and flexibility over existing sensing solutions and to introduce brand new sensing capabilities to products in all markets, especially consumer and industrial applications.
These devices are easily configured via an I2C interface. The two-channel LDC1612-Q1 is available in a WSON- 12 package and the four-channel LDC1614-Q1 is available in a WQFN-16 package.
Elecena nie prowadzi sprzedaży elementów elektronicznych, ani w niej nie pośredniczy.
Produkt pochodzi z oferty sklepu Texas Instruments