elecena.pl

1-cell, 0.8-A Li-ion and Li-polymer battery charger

Texas Instruments

1-cell, 0.8-A Li-ion and Li-polymer battery charger RSS Sample
  • Darmowa próbka
MPN:
BQ21040
Producent:
TEXAS INSTRUMENTS
Dodany do bazy:
Ostatnio widziany:

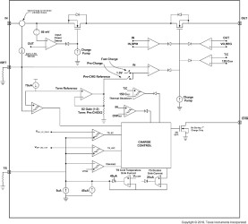
The bq21040 device is a highly integrated Li-Ion and Li-Pol linear battery charger device targeted at space-limited portable applications. The device operates from either a USB port or AC adapter. The high input voltage range with input overvoltage protection supports low-cost unregulated adapters.

The bq21040 has a single power output that charges the battery. A system load can be placed in parallel with the battery as long as the average system load does not keep the battery from charging fully during the 10 hour safety timer.

The battery is charged in three phases: conditioning, constant current and constant voltage. In all charge phases, an internal control loop monitors the IC junction temperature and reduces the charge current if an internal temperature threshold is exceeded.

The charger power stage and charge current sense functions are fully integrated. The charger function has high accuracy current and voltage regulation loops, charge status display, and charge termination. The pre-charge current and termination current threshold are fixed to 20% and 10%, respectively. The fast charge current value is programmable through an external resistor.

Elecena nie prowadzi sprzedaży elementów elektronicznych, ani w niej nie pośredniczy.

Produkt pochodzi z oferty sklepu