elecena.pl

5 V, High Speed (30 M), Low Power, Half Duplex EIA RS-485 Transceiver

Analog Devices

5 V, High Speed (30 M), Low Power, Half Duplex EIA RS-485 Transceiver RSS Sample
  • Darmowa próbka
MPN:
ADM1485
Producent:
ANALOG DEVICES
Dodany do bazy:
Ostatnio widziany:
Zmiana ceny:
-100% (22.01.2025)
Poprzednia cena:
4.06

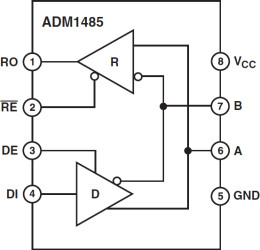
The ADM1485 is a differential line transceiver suitable for high speed bidirectional data communication on multipoint bus transmission lines. It is designed for balanced data transmission and complies with both EIA Standards RS-485 and RS-422. The part contains a differential line driver and a differential line receiver. Both the driver and the receiver may be enabled independently. When disabled, the outputs are tristated.

The ADM1485 operates from a single +5 V power supply. Excessive power dissipation caused by bus contention or by output shorting is prevented by a thermal shutdown circuit. This feature forces the driver output into a high impedance state if during fault conditions a significant temperature increase is detected in the internal driver circuitry.

Up to 32 transceivers may be connected simultaneously on a bus, but only one driver should be enabled at any time. It is important therefore that the remaining disabled drivers do not load the bus. To ensure this, the ADM1485 driver features high output impedance when disabled and also when powered down.

This minimizes the loading effect when the transceiver is not being utilized. The high impedance driver output is maintained over the entire common-mode voltage range from -7 V to +12 V.

The receiver contains a fail safe feature which results in a logic high output state if the inputs are unconnected (floating).

The ADM1485 is fabricated in BiCMOS, an advanced mixed technology process combining low power CMOS with fast switching bipolar technology. All inputs and outputs contain protection against ESD; all driver outputs feature high source and sink current capability. An epitaxial layer is used to guard against latch-up.

The ADM1485 features extremely fast switching speeds. Minimal driver propagation delays permit transmission at data rates up to 30 Mbits/s while low skew minimizes EMI interference.

The part is fully specified over the commercial and industrial temperature range and is available in an 8-pin DIL/SOIC package.

* Meets EIA RS-485 Standard

* 30 Mb/s Data Rate

* Single +5 V Supply

* –7 V to +12 V Bus Common-Mode Range

* High Speed, Low Power BiCMOS

* Thermal Shutdown Protection

Elecena nie prowadzi sprzedaży elementów elektronicznych, ani w niej nie pośredniczy.

Produkt pochodzi z oferty sklepu