elecena.pl

28 Gbps 4:1 Mux SMT with Programmable Output Voltage

Analog Devices

28 Gbps 4:1 Mux SMT with Programmable Output Voltage RSS Sample
  • Darmowa próbka
MPN:
HMC854
Producent:
ANALOG DEVICES
Dodany do bazy:
Ostatnio widziany:

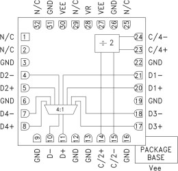
The HMC854LC5 is a 4:1 multiplexer designed for 28 Gbps data serialization. The mux latches the four differential inputs on a rising edge of the input clock. The device uses both rising and falling edges of the half-rate clock to serialize the data. A quarter-rate clock output generated on chip can be used to synchronize data into the mux. The mux is DC coupled supporting broadband operation.

All clock and data inputs to the HMC854LC5 are CML and terminated on-chip with 50 Ohms to the positive supply, GND, and may be DC or AC coupled. The differential outputs are source terminated to 50 Ohms and may also be AC or DC coupled. Outputs can be connected directly to a 50 Ohm ground terminated system, or drive devices with CML logic input. The HMC854LC5 also features an output level control pin, VR, which allows for loss compensation or signal level optimization. The HMC854LC5 operates from a single -3.3V supply and is available in ROHS compliant 5x5 mm SMT package.

APPLICATIONS

* SONET OC-192

* Broadband Test & Measurement

* Serial Data Transmission up to 28 Gbps

* Mux Modes:

4:1 @ 28 Gbps NRZ

2:1 @ 14 Gbps RZ and NRZ

* FPGA Interfacing

* Differential & Singe-Ended Operation

* Half-Rate Clock Input

* Quarter-Rate Reference Clock Output

* Fast Rise and Fall Times: 16 ps

* Low Power Consumption: 510 mW typ.

Elecena nie prowadzi sprzedaży elementów elektronicznych, ani w niej nie pośredniczy.

Produkt pochodzi z oferty sklepu