elecena.pl

4.5-V to 18-V, stackable 35-A synchronous SWIFT™ buck converter with PMBus and telemetry

Texas Instruments

4.5-V to 18-V, stackable 35-A synchronous SWIFT™ buck converter with PMBus and telemetry RSS Sample
  • Darmowa próbka
MPN:
TPS546C23
Producent:
TEXAS INSTRUMENTS
Dodany do bazy:
Ostatnio widziany:

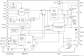
The TPS546C23 devices are PMBus 1.3 Compliant, non-isolated DC/DC converters with integrated FETs, capable of high-frequency operation and 35-A current output from a 7-mm × 5-mm package. Two TPS546C23 devices can be paralleled together to provide up to 70-A load. Current sensing is realized by sampling a small portion of the power stage current and independent on the device temperature. High-frequency, low-loss switching, provided by an integrated NexFET power stage and optimized drivers, allows for very high-density power solutions. The PMBus interface enables the AVS functions through VOUTCOMMAND, flexible converter configuration, as well as key parameters monitoring including output voltage, current, and internal die temperature. Response to fault conditions can be set to either restart, latch-off or ignore depending on system requirements.

Elecena nie prowadzi sprzedaży elementów elektronicznych, ani w niej nie pośredniczy.

Produkt pochodzi z oferty sklepu