elecena.pl

3-channel constant current LED driver with integrated boost controller

Texas Instruments

3-channel constant current LED driver with integrated boost controller RSS Sample
  • Darmowa próbka
MPN:
LM3431
Producent:
TEXAS INSTRUMENTS
Dodany do bazy:
Ostatnio widziany:

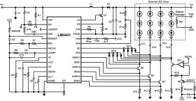
The LM3431 is a 3-channel linear current controller combined with a boost switching controller ideal for driving LED backlight panels in space critical applications. The LM3431 drives 3 external NPN transistors or MOSFETs to deliver high accuracy constant current to 3 LED strings. Output current is adjustable to drive strings in excess of 200 mA. The LM3431 can be expanded to drive as many as 6 LED strings.

The boost controller drives an external NFET switch for step-up regulation from input voltages between 5V and 36V. The LM3431 features LED cathode feedback to minimize regulator headroom and optimize efficiency.

A DIM input pin controls LED brightness from analog or digital control signals. Dimming frequencies up to 25 kHz are possible with a contrast ratio of 100:1. Contrast ratios greater than 1000:1 are possible at lower dimming frequencies.

The LM3431 eliminates audible noise problems by maintaining constant output voltage regulation during LED dimming. Additional features include LED short and open protection, fault delay/error flag, cycle by cycle current limit, and thermal shutdown for both the IC and LED array. The enhanced LM3431A features reduced offset voltage for higher accuracy LED current.

Elecena nie prowadzi sprzedaży elementów elektronicznych, ani w niej nie pośredniczy.

Produkt pochodzi z oferty sklepu