elecena.pl

Dual Very Low Noise, Differential Amplifier and 2.5MHz Lowpass Filter

Analog Devices

Dual Very Low Noise, Differential Amplifier and 2.5MHz Lowpass Filter RSS Sample
  • Darmowa próbka
MPN:
LT6604-2.5
Producent:
ANALOG DEVICES
Dodany do bazy:
Ostatnio widziany:
Zmiana ceny:
-100% (22.01.2025)
Poprzednia cena:
7.73

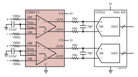
The LT6604-2.5 consists of two matched, fully differential amplifiers, each with a 4th order, 2.5MHz lowpass filter. The fixed frequency lowpass filter approximates a Chebyshev response. By integrating a filter and a differential amplifier, distortion and noise are made exceptionally low. At unity gain, the measured in-band signal-to-noise ratio is an impressive 86dB. At higher gains, the input referred noise decreases, allowing the part to process smaller input differential signals without significantly degrading the signal-to-noise ratio.

Gain and phase are well matched between the two channels. Gain for each channel is independently programmed using two external resistors. The LT6604-2.5 enables level shifting by providing an adjustable output common mode voltage, making it ideal for directly interfacing to ADCs. The LT6604-2.5 is fully specified for 3V operation. The differential design enables outstanding performance up to a 4VP-P signal level for a single 3V supply.

See the back page of this datasheet for a complete list of related single and dual differential amplifiers with integrated 2.5MHz to 20MHz lowpass filters.

Applications

* Dual Differential ADC Driver and Filter

* Single-Ended to Differential Converter

* Matched, Dual, Differential Gain or Filter Stage

* Common Mode Translation of Differential Signals

* High Speed ADC Antialiasing and DAC Smoothing in Wireless Infrastructure or Networking Applications

* High Speed Test and Measurement Equipment

* Medical Imaging

* Dual Differential Amplifier with 2.5MHz Lowpass Filters

* 4th Order Filters

* Approximates Chebyshev Response

* Guaranteed Phase and Gain Matching

* Resistor-Programmable Differential Gain

* >86dB Signal-to-Noise (3V Supply, 1VRMS Output)

* Low Distortion (1MHz, 1VRMS Output, 800Ω Load)

* HD2: 92dBc

* HD3: 88dBc

* Specified for Operation with 3V, 5V and ±5V Supplies

* Fully Differential Inputs and Outputs

* Adjustable Output Common Mode Voltage

* Small 4mm × 7mm × 0.75mm QFN Package

Elecena nie prowadzi sprzedaży elementów elektronicznych, ani w niej nie pośredniczy.

Produkt pochodzi z oferty sklepu