elecena.pl

Power Management IC (PMIC) for Flash Memory Based Portable Media Players

Texas Instruments

Power Management IC (PMIC) for Flash Memory Based Portable Media Players RSS Sample
  • Darmowa próbka
MPN:
LP3913
Producent:
TEXAS INSTRUMENTS
Dodany do bazy:
Ostatnio widziany:

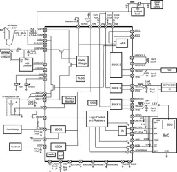
The LP3913 is a programmable system power management unit that is optimized for Flash Memory based Portable Media Players.

The LP3913 incorporates 2 low-dropout LDO voltage regulators, 3 integrated Buck DC/DC converters with Dynamic Voltage Scaling (DVS), a 4-channel 8-bit A/D converter, and a dual source Li-Ion/polymer battery charger. The charger has the capability to charge and maintain a single cell battery from a regulated wall adapter or USB power. When both USB and adapter sources are present, then the adapter source takes precedence and switching between USB and adapter power sources is seamless. In addition, the battery charger supports power routing, which allows system usage immediately after an external power source has been detected. The LP3913 also incorporates some advanced battery management functions such as battery temperature measurement, reverse current blocking for USB, LED charger status indication, thermally regulated internal power FETs, battery voltage monitoring, over-current protection and a 10–hour safety timer.

The 4-channel A/D converter measures the battery voltage and charge current, which can be used for fuel gauging. Two undedicated channels can be used to measure other analog parameters such as discharge current, battery temperature, keyboard resistor scanning and more.

The various IC parameters are programmable through a 400 kHz I2C compatible interface.

The LP3913 is available in a thermally-enhanced 6x6x0.8 mm 48 WQFN package and operates over an ambient temperature range of –40°C to +85°C.

Elecena nie prowadzi sprzedaży elementów elektronicznych, ani w niej nie pośredniczy.

Produkt pochodzi z oferty sklepu