elecena.pl

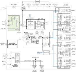
Ultra low-noise and low power JESD204B compliant clock jitter cleaner with dual PLLs

Texas Instruments

Ultra low-noise and low power JESD204B compliant clock jitter cleaner with dual PLLs RSS Sample
  • Darmowa próbka
MPN:
LMK04610
Producent:
TEXAS INSTRUMENTS
Dodany do bazy:
Ostatnio widziany:

The LMK0461x device family is the industry’s highest performance and lowest power jitter cleaner with JESD204B support.

Elecena nie prowadzi sprzedaży elementów elektronicznych, ani w niej nie pośredniczy.

Produkt pochodzi z oferty sklepu