elecena.pl

Dual-Channel, 14-Bit, 9-GSPS, 1x-24x Interpolating, 6 & 9 GHz PLL Digital-to-Analog Converter (DAC)

Texas Instruments

Dual-Channel, 14-Bit, 9-GSPS, 1x-24x Interpolating, 6 & 9 GHz PLL Digital-to-Analog Converter (DAC) RSS Sample
  • Darmowa próbka
MPN:
DAC38RF82
Producent:
TEXAS INSTRUMENTS
Dodany do bazy:
Ostatnio widziany:

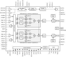
The DAC38RF82 and DAC38RF89 are high performance, wide bandwidth RF-sampling digital-to-analog (DACs) that are capable of dual channel input data rate up to 3.33 GSPS or single-channel operation with 8-bits up to 9-GSPS. The devices have a low power JESD204B Interface with up to 8 lanes, with a maximum bit rate of 12.5 Gbps (DAC38RF89) and 12.8 Gbps (DAC38RF82).

In dual channel operation, the input interface is capable of data rates up to 3.33 GSPS at 12-bits and 2.5 GSPS at 16-bits resolution without interpolation. When used as a complex baseband transmitter with interpolation modes from 2x to 24x, the DAC38RF82 or DAC38RF89 is capable of synthesizing wideband signals up to 2 GHz bandwidth with 16-bit input resolution and 2.66 GHz bandwidth with 12-bit input resolution.

The 8-bit mode allows an input at the full 9 GSPS maximum DAC sample rate and can synthesize wideband signals from 0 to 4.5 GHz.

An optional low jitter PLL/VCO simplifies the DAC clock generation by allowing use of a lower frequency reference clock. DAC38RF82 and DAC38RF89 support different VCO frequency ranges, summarized in Device Comparison Table.

Elecena nie prowadzi sprzedaży elementów elektronicznych, ani w niej nie pośredniczy.

Produkt pochodzi z oferty sklepu