elecena.pl

Dual-Channel, 14-Bit, 80-MSPS, 1.0-GHz Input Bandwidth Analog-to-Digital Converter (ADC)

Texas Instruments

Dual-Channel, 14-Bit, 80-MSPS, 1.0-GHz Input Bandwidth Analog-to-Digital Converter (ADC) RSS Sample
  • Darmowa próbka
MPN:
ADC14DC080
Producent:
TEXAS INSTRUMENTS
Dodany do bazy:
Ostatnio widziany:

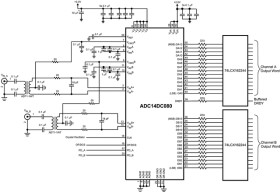
The ADC14DC080 is a high-performance CMOS analog-to-digital converter capable of converting two analog input signals into 14-bit digital words at rates up to 80 Mega Samples Per Second (MSPS). These converters use a differential, pipelined architecture with digital error correction and an on-chip sample-and-hold circuit to minimize power consumption and the external component count, while providing excellent dynamic performance. A unique sample-and-hold stage yields a full-power bandwidth of 1 GHz. The ADC14DC080 may be operated from a single +3.0V power supply. A power-down feature reduces the power consumption to very low levels while still allowing fast wake-up time to full operation. The differential inputs provide a 2V full scale differential input swing. A stable 1.2V internal voltage reference is provided, or the ADC14DC080 can be operated with an external 1.2V reference. Output data format (offset binary versus 2's complement) and duty cycle stabilizer are pin-selectable. The duty cycle stabilizer maintains performance over a wide range of clock duty cycles.

The ADC14DC080 is available in a 60-lead WQFN package and operates over the industrial temperature range of −40°C to +85°C.

Elecena nie prowadzi sprzedaży elementów elektronicznych, ani w niej nie pośredniczy.

Produkt pochodzi z oferty sklepu