Oprogramowanie do oscyloskopów, Oprogramowanie z opcją wyzwalania i dekodowania magistrali SPI, Seria HDO4000,
RS Components
RSS
8497.33
6908.40 + VAT
- MPN:
- HDO4K-SPIBUS TD
- Kod:
- 8787663
- Producent:
- TELEDYNE LECROY
- Dodany do bazy:
- Ostatnio widziany:
- Zmiana ceny:
- +1% (01.08.2025)
- Poprzednia cena:
- 8413.20
Sugerowane produkty dla dekonstruują
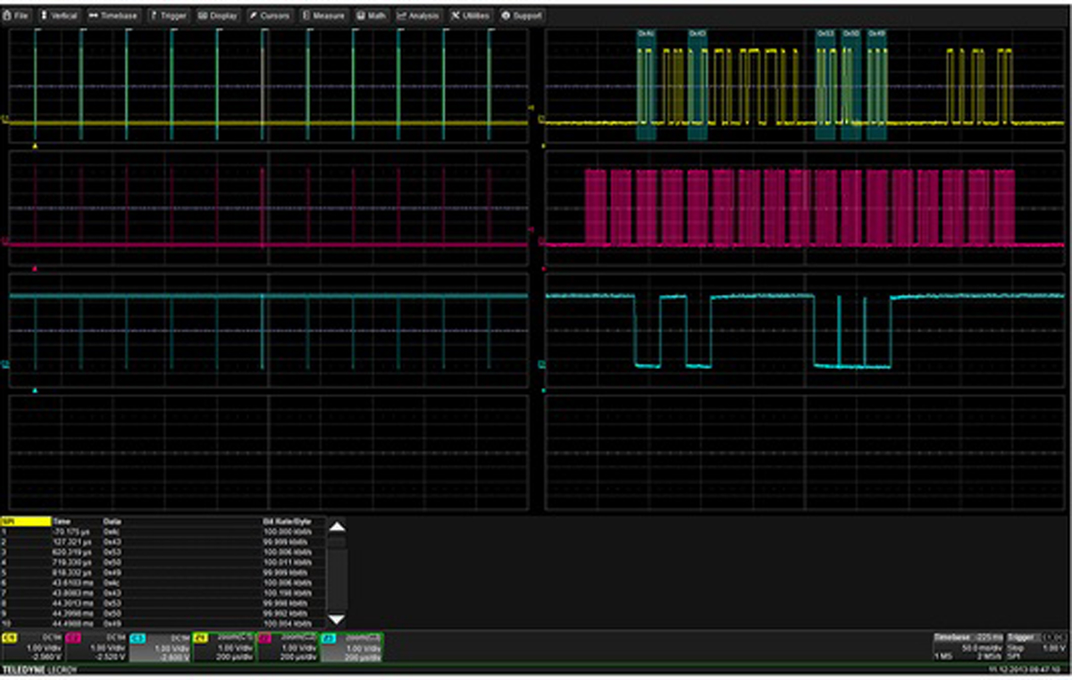
Advanced software algorytmy dekonstruują krzywą na informacje o protokole, a następnie nakładają dekodowane dane na krzywą.
Elecena nie prowadzi sprzedaży elementów elektronicznych, ani w niej nie pośredniczy.
Produkt pochodzi z oferty sklepu RS Components